This website requires JavaScript.
Explore
Help
Sign In
rhetenor
/
flippr-circuit
Watch
1
Star
0
Fork
0
You've already forked flippr-circuit
Code
Issues
Pull Requests
Projects
Releases
Wiki
Activity
Files
df71dc5adfe218415024a834765c6d67c8850ee4
flippr-circuit
/
flipperdata
/
circuit-schematic
/
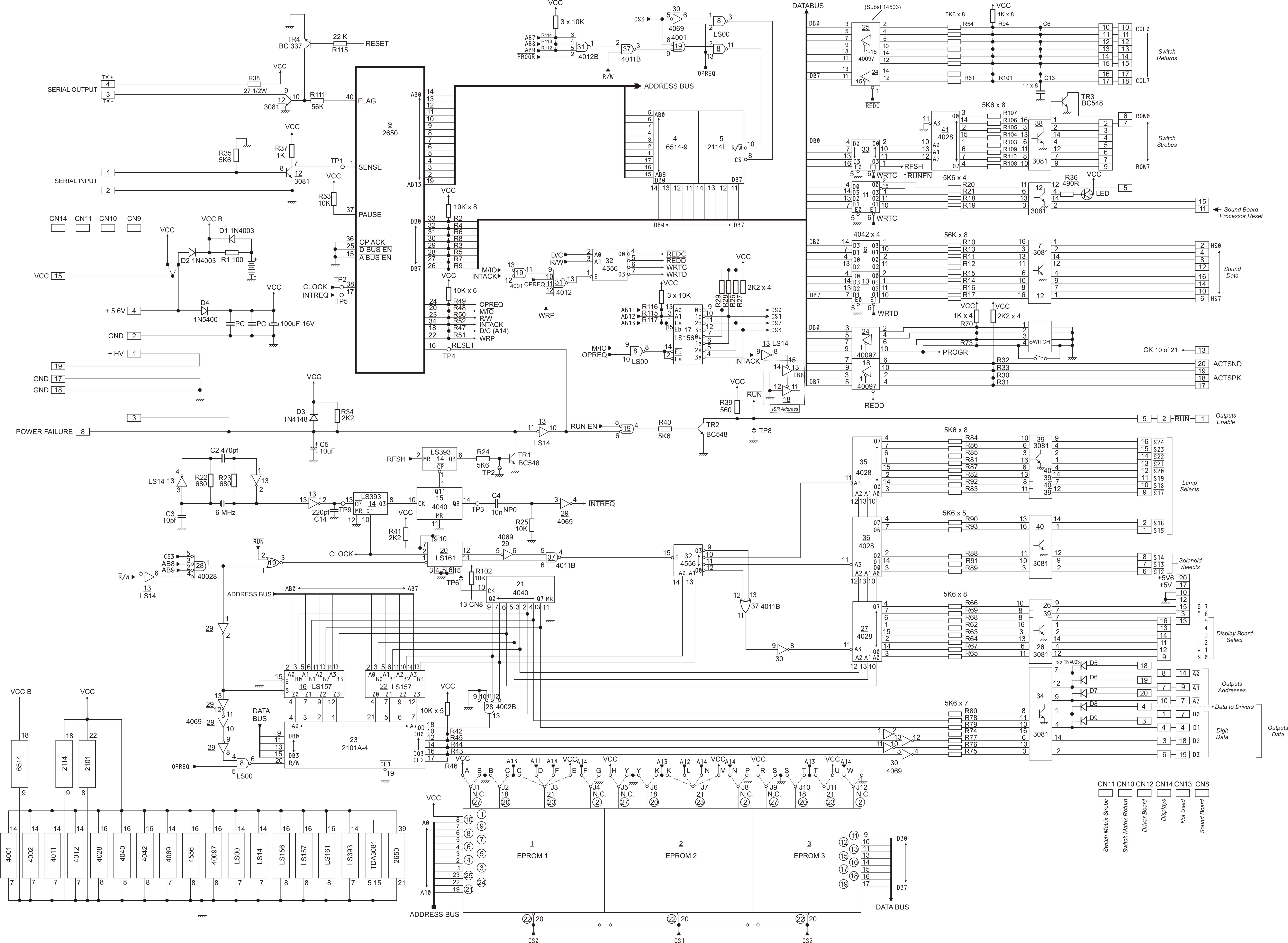
cpu-board.jpg
Jonas Zeunert
35ed592869
saved all data from zaccaria-pinball.com
2017-09-21 22:09:34 +02:00
2.6 MiB
6298x4614px
Raw
History
Reference in New Issue
View Git Blame
Copy Permalink